電話咨詢:
0411-85647888
企業(yè)郵箱 :
ywy@ywygs.com


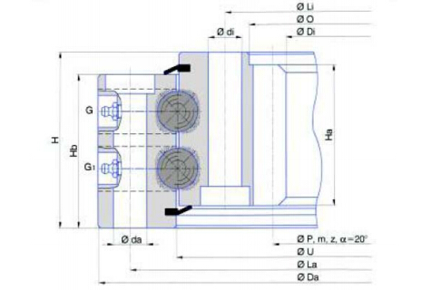
| 選擇 | 詢價 | 型號 | 尺寸(mm) | 螺栓孔直徑(mm) | 重量 | |||||||
|---|---|---|---|---|---|---|---|---|---|---|---|---|
| Da | Di | H | La | Li | na3) | ni3) | m | z | (Kg) | |||
| I.973.2.22.00.D.6 | 973 | 786 | 97 | 36 | 17 | 36 | 17 | 8 | 100 | 141 | ||
| I.1165.2.22.00.D.6 | 1165 | 962 | 97 | 36 | 17 | 36 | 17 | 10 | 98 | 187 | ||
| I.1200.2.25.00.D.6 | 1200 | 963.5 | 110 | 36 | 21 | 36 | 21 | 10 | 98 | 230 | ||
| I.1346.2.30.05.D.6 | 1345 | 1061.6 | 108 | 48 | 21 | 48 | 21 | 10 | 108 | 326 | ||
| I.1750.2.30.20.D.6 | 1750 | 1418.4 | 120 | 48 | 25 | 48 | 25 | 12 | 120 | 564 | ||